
| ○ | 單圈編碼器, SSI / BiSS + SinCos | ○ | 光感應 | |||
| ○ | 分辨率:標準13位,可編程 | ○ | 2048 正余弦信號 | |||
| ○ | 夾緊法蘭或同步法蘭 | ○ | 始終檢測編碼的連續性 | |||
| ○ | 較強的抗沖擊和振動能力 | ○ | 編碼器可電子復位 | |||
| ○ |
供電: 5.5VDC to 30VDC 4.75 VDC to 5.5VDC |
○ |
保護: 反極性保護 輸出短路保護(不含5V系列) |
|||
| ○ | 空載電流:≤ 50mA(24VDC) | ○ | 接口:SSI或 BiSS | |||
| ○ | 分辨率(脈沖數/圈): 可達 19 位 | ○ | 絕對精度:≤ ±0.025° | |||
| ○ | 光電壽命:10萬小時(min) | ○ | 編碼:格雷碼或二進制碼 | |||
| ○ |
輸入: SSI不同時鐘 方向(順時針/ 逆時針) 電子清零 芯片選擇(可選) |
○ |
輸出頻率: 可達 2MHz(SSI) 可達10MHz(BiSS) |
|||
| ○ |
輸出電路: SSI數據線RS485 2048 Sin/Cos信號 |
○ | 抗干擾:DIN EN 61000-6-2 | |||
| ○ | 發射干擾:DIN EN 61000-6-4 | ○ | 認證:CE | |||
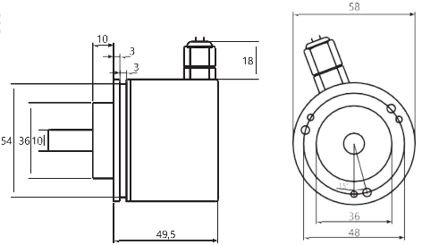
| ○ | 尺寸(法蘭): φ58mm | ○ |
軸負載: ≤140N 軸向 ≤240N 徑向 |
|||
| ○ | 防護等級:DIN EN 60529,IP54,IP65 | ○ | 運行轉速:≤10000 rpm | |||
| ○ | 運行轉矩:≤0.025Nm(IP67) | ○ |
材料: 外殼、法蘭:鋁 軸:不銹鋼 |
|||
| ○ |
軸徑:6, 8, 10, 12 mm 1:10錐形軸可選 |
○ | 壽命:2×109 轉(在100%軸承額定負載)(min) | |||
| ○ |
工作溫度: -40...+110 °C -40 °C up to +120 °C(儲存溫度) |
○ | 重量約:250g | |||
![]() 58B |
![]() 58S |
![]() 連接器尺寸 |
![]() |
![]() |